PS3104E

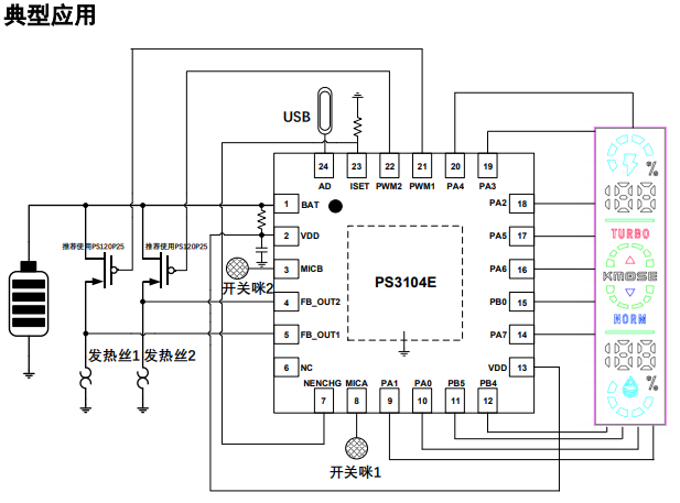
PS3104E是电池以及功率路径管理的集成式SoC,具有双MIC检测,双PWM输出的特点,支持 双发应用。 PS3104E集成电子烟功率通路控制功能,包括恒压/恒功率PWM输出,阻抗检测,油量检测, 输出短路,低阻保护,发热丝插拔检测,PWM打开超时保护等功能。 PS3104E集成电池管理相关功能,包括最高至1A的线性充电器,并具有过压保护功能,最高耐 压至28V。集成高精度库仑计,实时检测电池电量。还具有电池过压等保护功能。 PS3104E内置MCU可对11个IO进行灵活操作,可实现如。


其他产品